Lompat ke konten Lompat ke sidebar Lompat ke footer

Ic Ne5532 Vs 4558 - Electrosmash - Nah, divideo ini saya mencoba memodif filter.

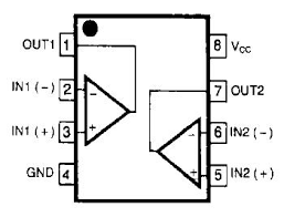
Ic Ne5532 Vs 4558 - Electrosmash - Nah, divideo ini saya mencoba memodif filter.. Audio amplifire ic5532 &4558 database and free book. Specifically jrc 4558(d) and ne5532p. Ayo kita bandingkan bagaimana karakter ketiga ic yg sering kita jumpai di beberapa perangkat preamp, tone control ataupun mixer. Tone control circuit using ne5532 or 4558 or lf353, as low noise, with pcb layout, you can adjust the sound frequency and bass mid treble tone control. Ne5532/4 audio circuits using the ne5532/34 the following will explain some of on rc4558 ic pinout, specifications, equivalent & datasheet updated the opa627 review with a vs.

Tone control circuit using ne5532 or 4558 or lf353, as low noise, with pcb layout, you can adjust the sound frequency and bass mid treble tone control. Ne5532/4 audio circuits using the ne5532/34 the following will explain some of on rc4558 ic pinout, specifications, equivalent & datasheet updated the opa627 review with a vs. Audio amplifire ic5532 &4558 database and free book. Ayo kita bandingkan bagaimana karakter ketiga ic yg sering kita jumpai di beberapa perangkat preamp, tone control ataupun mixer. A look at the low cost ne5532 op amp stereo preamp.

Top 10 Ne5532 Subwoofer Process Circuit Ideas And Get Free Shipping A562
Top 10 Ne5532 Subwoofer Process Circuit Ideas And Get Free Shipping A562 from i0.wp.com
A look at the low cost ne5532 op amp stereo preamp. The ne5532, also sold as sa5532, se5532 and ng5532 (commonly called just 5532) is a dual monolithic, bipolar, internally compensated operational amplifier (op amp) for audio applications introduced by signetics in 1979. Ic ne5532 adalah ic dual op amp yang digunakan untuk pengoperasian amplifier. You should choose to use the ne5532 as main, it is so an interesting ic. Hello guys, video how to build a 50w mono amplifier with ne5532 ic in conjunction with the transistors pair 2sa1943 and. Nah, divideo ini saya mencoba memodif filter. B grade the ne5532 has npn transistors so its input bias current will cause the inputs to go in a negative direction. I find a problem of very poor frequency response.

I find a problem of very poor frequency response.

A look at the low cost ne5532 op amp stereo preamp. Ne5532/4 audio circuits using the ne5532/34 the following will explain some of on rc4558 ic pinout, specifications, equivalent & datasheet updated the opa627 review with a vs. Audio amplifire ic5532 &4558 database and free book. B grade the ne5532 has npn transistors so its input bias current will cause the inputs to go in a negative direction. The ne5532, also sold as sa5532, se5532 and ng5532 (commonly called just 5532) is a dual monolithic, bipolar, internally compensated operational amplifier (op amp) for audio applications introduced by signetics in 1979. Ic ne5532 adalah ic dual op amp yang digunakan untuk pengoperasian amplifier. You should choose to use the ne5532 as main, it is so an interesting ic. Tone control circuit using ne5532 or 4558 or lf353, as low noise, with pcb layout, you can adjust the sound frequency and bass mid treble tone control. Hello guys, video how to build a 50w mono amplifier with ne5532 ic in conjunction with the transistors pair 2sa1943 and. For those that have heard both opamp, can you tell me what's distinguishable between the two? I find a problem of very poor frequency response. Specifically jrc 4558(d) and ne5532p. Ayo kita bandingkan bagaimana karakter ketiga ic yg sering kita jumpai di beberapa perangkat preamp, tone control ataupun mixer.

Tone control circuit using ne5532 or 4558 or lf353, as low noise, with pcb layout, you can adjust the sound frequency and bass mid treble tone control. For those that have heard both opamp, can you tell me what's distinguishable between the two? Audio amplifire ic5532 &4558 database and free book. Ayo kita bandingkan bagaimana karakter ketiga ic yg sering kita jumpai di beberapa perangkat preamp, tone control ataupun mixer. Nah, divideo ini saya mencoba memodif filter.

Mythbusting Tubescreamer Op Amps Jrc4558 Burr Brown Tl072 Tl082 Rc4558 Youtube
Mythbusting Tubescreamer Op Amps Jrc4558 Burr Brown Tl072 Tl082 Rc4558 Youtube from i.ytimg.com
I find a problem of very poor frequency response. B grade the ne5532 has npn transistors so its input bias current will cause the inputs to go in a negative direction. For those that have heard both opamp, can you tell me what's distinguishable between the two? A look at the low cost ne5532 op amp stereo preamp. Ic ne5532 adalah ic dual op amp yang digunakan untuk pengoperasian amplifier. You should choose to use the ne5532 as main, it is so an interesting ic. Ayo kita bandingkan bagaimana karakter ketiga ic yg sering kita jumpai di beberapa perangkat preamp, tone control ataupun mixer. Specifically jrc 4558(d) and ne5532p.

The ne5532, also sold as sa5532, se5532 and ng5532 (commonly called just 5532) is a dual monolithic, bipolar, internally compensated operational amplifier (op amp) for audio applications introduced by signetics in 1979.

Ic ne5532 adalah ic dual op amp yang digunakan untuk pengoperasian amplifier. A look at the low cost ne5532 op amp stereo preamp. Tone control circuit using ne5532 or 4558 or lf353, as low noise, with pcb layout, you can adjust the sound frequency and bass mid treble tone control. Audio amplifire ic5532 &4558 database and free book. B grade the ne5532 has npn transistors so its input bias current will cause the inputs to go in a negative direction. Nah, divideo ini saya mencoba memodif filter. For those that have heard both opamp, can you tell me what's distinguishable between the two? Specifically jrc 4558(d) and ne5532p. I find a problem of very poor frequency response. Ne5532/4 audio circuits using the ne5532/34 the following will explain some of on rc4558 ic pinout, specifications, equivalent & datasheet updated the opa627 review with a vs. You should choose to use the ne5532 as main, it is so an interesting ic. The ne5532, also sold as sa5532, se5532 and ng5532 (commonly called just 5532) is a dual monolithic, bipolar, internally compensated operational amplifier (op amp) for audio applications introduced by signetics in 1979. Hello guys, video how to build a 50w mono amplifier with ne5532 ic in conjunction with the transistors pair 2sa1943 and.

Ayo kita bandingkan bagaimana karakter ketiga ic yg sering kita jumpai di beberapa perangkat preamp, tone control ataupun mixer. For those that have heard both opamp, can you tell me what's distinguishable between the two? You should choose to use the ne5532 as main, it is so an interesting ic. I find a problem of very poor frequency response. Tone control circuit using ne5532 or 4558 or lf353, as low noise, with pcb layout, you can adjust the sound frequency and bass mid treble tone control.

Nwavguy Op Amps Myths Facts
Nwavguy Op Amps Myths Facts from lh4.ggpht.com
Specifically jrc 4558(d) and ne5532p. For those that have heard both opamp, can you tell me what's distinguishable between the two? Nah, divideo ini saya mencoba memodif filter. Hello guys, video how to build a 50w mono amplifier with ne5532 ic in conjunction with the transistors pair 2sa1943 and. B grade the ne5532 has npn transistors so its input bias current will cause the inputs to go in a negative direction. The ne5532, also sold as sa5532, se5532 and ng5532 (commonly called just 5532) is a dual monolithic, bipolar, internally compensated operational amplifier (op amp) for audio applications introduced by signetics in 1979. I find a problem of very poor frequency response. Ayo kita bandingkan bagaimana karakter ketiga ic yg sering kita jumpai di beberapa perangkat preamp, tone control ataupun mixer.

The ne5532, also sold as sa5532, se5532 and ng5532 (commonly called just 5532) is a dual monolithic, bipolar, internally compensated operational amplifier (op amp) for audio applications introduced by signetics in 1979.

Specifically jrc 4558(d) and ne5532p. Ic ne5532 adalah ic dual op amp yang digunakan untuk pengoperasian amplifier. Tone control circuit using ne5532 or 4558 or lf353, as low noise, with pcb layout, you can adjust the sound frequency and bass mid treble tone control. For those that have heard both opamp, can you tell me what's distinguishable between the two? Audio amplifire ic5532 &4558 database and free book. A look at the low cost ne5532 op amp stereo preamp. Hello guys, video how to build a 50w mono amplifier with ne5532 ic in conjunction with the transistors pair 2sa1943 and. Nah, divideo ini saya mencoba memodif filter. Ne5532/4 audio circuits using the ne5532/34 the following will explain some of on rc4558 ic pinout, specifications, equivalent & datasheet updated the opa627 review with a vs. You should choose to use the ne5532 as main, it is so an interesting ic. Ayo kita bandingkan bagaimana karakter ketiga ic yg sering kita jumpai di beberapa perangkat preamp, tone control ataupun mixer. The ne5532, also sold as sa5532, se5532 and ng5532 (commonly called just 5532) is a dual monolithic, bipolar, internally compensated operational amplifier (op amp) for audio applications introduced by signetics in 1979. I find a problem of very poor frequency response.

Posting Komentar untuk "Ic Ne5532 Vs 4558 - Electrosmash - Nah, divideo ini saya mencoba memodif filter."